岗峰精密工业
岗峰精密工业Gangfeng Precision Industry

专注微小冲床自动化设备厂家

400-106-30070769-81003216139-2689-6548

产品中心products center

[ 冲床周边 ]
[ GF系列精密冲床 ]
[ 精密冲床配件 ]
[ 冲床产品 ]
[ SF系列精密伺服冲床 ]
联系我们

联系热线:139-2689-6548

4产品中心
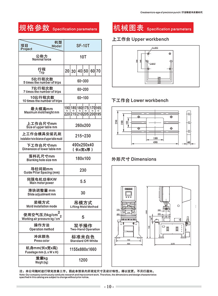
您的位置: 首页 ->  产品中心  -> SF系列精密伺服冲床  -> SF-10
SF-10
SF-10
SF-10

SF-10

  • 详情说明

东莞市岗峰精密工业有限公司
    关于我们 联系我们 QQ
手机二维码
微信公众号
微信小程序

扫描进入手机端

扫描关注公众号

扫码进入小程序

Copyright © 2022 东莞市岗峰精密工业有限公司 版权所有 关键词:桌上冲床 - 小型精密冲床 - 精密冲床 访问量:Gmap
粤ICP备15088444号】【百度统计】*本站相关网页素材及相关资源均来源互联网,如侵权请速告知,我们将会在24小时内删除*
后台管理】【返回顶部

业务咨询(郝先生)

139-2689-6548

服务热线

0769-81003216

手机站二维码
进入手机站
抖音二维码
关注抖音
抖音二维码
关注抖音
抖音二维码
TikTok